液压过滤器的流通形式
液压过滤器液一般是从滤芯外部穿透滤层自滤芯内部流出,从里向外流通者较少。流通线路有直通流通式过滤器、T形流通式过滤器和Y形流通式过滤器。
直通式过滤器中,进口和出口呈一条直线。它缺点是更换滤芯要拆卸管路,先将整套过滤器卸掉再去更换,优点是节省安装空间。
T形流通式过滤器的进出口两端(滤头)是连接在系统管路上的,也就是说,只将下壳体拧下来就可以更换滤芯,不必拆管路。
这种过滤器可以在滤头和下壳体之间安装自动切断阀门,以限制外界污物进入。当新滤芯放入装满液体的下壳体时,垂直拧入滤头时,下壳体已没有空气进入的空间,这就可以防止空气大量进入系统。
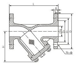
Y形过滤器

想咨询过滤器,油过滤器、空气过滤器,滤芯、滤材请致电咨询我公司。
联系人:王经理
手 机:1567056000113183108783
邮 箱:sales@cl-filter.com
公 司:新乡市亚洲必赢过滤技术有限公司
地 址:河南省新乡市创业路1号高新技术产业园